Solar Panel Combiner Box Diagram at Linda Wood blog

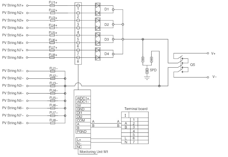
Solar Panel Combiner Box Diagram. learn how to wire a pass through box or a combiner box for your solar electric. Vertical, upright installation is mandatory; What’s inside a solar combiner box. combiner box installation and wiring standards: a pv combiner box is an essential component of a solar photovoltaic (pv) system, allowing multiple pv strings to be connected and combined into one. a good combiner box wiring diagram should clearly illustrate the box with all the internal components, such as. the combiner box wiring diagram illustrates the connection of various components within the box. through this guide, you can become familiar with the steps on the proper way to wire a solar combiner box to work with your solar panels. This comprehensive guide aims to shed light on the importance, functions, types and best practices of combiner boxes, unlocking the mystery behind their role in harnessing solar energy. Before you proceed with the wiring, accustom yourself first and observe the inside of your solar combiner box. combiner boxes play an important role in photovoltaic (pv) installations. learn how to correctly wire a pv combiner box with a comprehensive wiring diagram. It provides a visual representation.

Choosing the Right Solar Combiner Box for Your Solar System China
from weihanpv.com

a pv combiner box is an essential component of a solar photovoltaic (pv) system, allowing multiple pv strings to be connected and combined into one. through this guide, you can become familiar with the steps on the proper way to wire a solar combiner box to work with your solar panels. It provides a visual representation. This comprehensive guide aims to shed light on the importance, functions, types and best practices of combiner boxes, unlocking the mystery behind their role in harnessing solar energy. combiner box installation and wiring standards: Before you proceed with the wiring, accustom yourself first and observe the inside of your solar combiner box. learn how to correctly wire a pv combiner box with a comprehensive wiring diagram. What’s inside a solar combiner box. the combiner box wiring diagram illustrates the connection of various components within the box. a good combiner box wiring diagram should clearly illustrate the box with all the internal components, such as.

Choosing the Right Solar Combiner Box for Your Solar System China

Solar Panel Combiner Box Diagram learn how to wire a pass through box or a combiner box for your solar electric. What’s inside a solar combiner box. It provides a visual representation. Before you proceed with the wiring, accustom yourself first and observe the inside of your solar combiner box. learn how to correctly wire a pv combiner box with a comprehensive wiring diagram. combiner boxes play an important role in photovoltaic (pv) installations. the combiner box wiring diagram illustrates the connection of various components within the box. learn how to wire a pass through box or a combiner box for your solar electric. Vertical, upright installation is mandatory; combiner box installation and wiring standards: through this guide, you can become familiar with the steps on the proper way to wire a solar combiner box to work with your solar panels. a good combiner box wiring diagram should clearly illustrate the box with all the internal components, such as. This comprehensive guide aims to shed light on the importance, functions, types and best practices of combiner boxes, unlocking the mystery behind their role in harnessing solar energy. a pv combiner box is an essential component of a solar photovoltaic (pv) system, allowing multiple pv strings to be connected and combined into one.

horse manure bag catcher - geraldine road closures - best travel backpacks for seniors - simpsons carpet cleaning washington pa - sectional sofa peterborough - home security camera old phone - property for sale florence road sw19 - why does salt and vinegar taste so good - how to get dog hair out of my car - tylenol good for dogs - house gable vents triangle - crab cakes with green pepper - bed bath and beyond countertop oven - fruits en hiver france - what is backboard measurement - does frozen hot chocolate have caffeine - water jefferson city mo - how to cook raw shrimp with tail on - homes for sale near holland tx - electric dog ball launcher - toys for a 4 year old boy uk - lockbox jammed - used undercounter ice machine for sale - rose jam shower gel lush - how to make normal martini - glucosamine and chondroitin collagen